深圳市亿晶振业电子有限公司
地址:深圳市南山区东滨路4088号
联系人:王小姐
手机:13410979836
总机:0755-33567289
传真:0755-86230743
公司网址:www.toojz.com
淘宝网址: https://toojz.taobao.com/
电子邮件:1804331016@qq.com
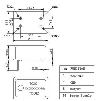
深圳市亿晶振业电子为您带来的有源晶振——高精度TCXO2MHZ温补晶振产品被广泛应用于仪器频标,时间标准,频率校准等领域 高精度TCXO2.097152MHZ温补晶振四脚型 封装:DIP14(20.8*12.8mm) 外壳:镀金外壳和常规外壳 输出波形为方波, 波形特点:方波特点:方波的输出直流电压一般是晶振电源的50%,如电源3.3V,方波直流电压一般是1.65V,用万用表可测量, 电压:常用的有两种,3.3V和5V 微调方式:有机械微调,电压微调,固定不可微调三种方式 机械微调的范围(5PPM)一般常规是机械微调,面上有圆孔,经圆孔,利用专业工具结合专业测试仪器微调 电压微调的范围(5PPM)选购时需选购带压控功能的就是电压微调 固定不可微调,选购是需选固定不调 2.097152MHZ温补晶振TCXO参数表: 全尺寸封装(DIP14):四个直插脚,尺寸为20.8*12.8MM,预留有可机械微调孔 全尺寸封装(DIP14):镀金外壳,四个直插脚,尺寸为20.8*12.8MM,预留有可机械微调孔 全尺寸封装(DIP14):四个直插脚,尺寸为20.8*12.8MM,无微调孔 方波示意图 方波测试示意图 封装尺寸图






深圳市亿晶振业电子有限公司
地址:深圳市南山区东滨路4088号
联系人:王小姐
手机:13410979836
总机:0755-33567289
传真:0755-86230743
公司网址:www.toojz.com
淘宝网址: https://toojz.taobao.com/
电子邮件:1804331016@qq.com